Home
Download PDF
Order CD-ROM
Order in Print
DESCRIPTION AND USABLE ON CODES (UOC) - TM-10-4130-239-24P_24
DESCRIPTION AND USABLE ON CODES (UOC) - TM-10-4130-239-24P_26
TM-10-4130-239-24P Small Mobile Water Chiller (NSN 4130-01-333-6086) Manual
Page Navigation
17
18
19
20
21
22
23
24
25
26
27
TM 10-4130-239-24P
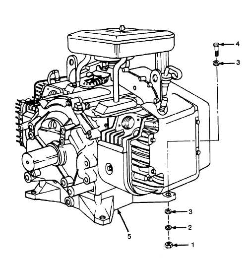
Figure 7. Engine Assembly.