TM 5-3895-370-14&P
(12)
Slowly move pump transmission control lever (14) forward (FWD) to increase pump rate to 25 GPM.
(13)
Refer to Testing Spraybar for Circulation (para 2-21) to test spraybar for adequate material flow.
(14)
When spraybar is adequately warmed to the temperature of the material, move pump transmission control
lever (14) to neutral with the pump rate at 0 GPM.
(15)
Distributor is ready for operation. Refer to Table of Contents (page 2-1) for desired procedures.
2-21. TESTING SPRAYBAR FOR CIRCULATION.
a.
Introduction. The spraybar can become
clogged with material. Before operating spraybar,
perform the following test while circulating bituminous
material
through
system.
Refer
to
Circulating
Bituminous Material (para 2-20).
b.
Testing Spraybar for Circulation.
NOTE
· To ensure accuracy of this test,
open only two spraybar valves; one
at each end of spraybar.
· This procedure is also used during
spraybar suckback procedures to
allow air to enter spraybar.
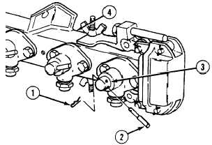
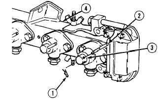
(1)
Remove hair pin (1) and pin (2) from spray
nozzle (3) on spraybar (4).
(2)
Insert pin (2) in spray nozzle (3) 90° out
from original position.
(3)
Insert hair pin (1) in pin (2).
2-47