TM 5-3895-370-14&P
2-22. SPRAYBAR OPERATION (CONT).
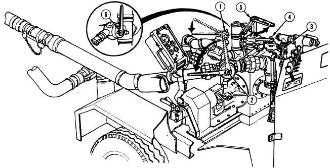
(4)
Place valves in the following positions (Circulate Bar/Spray, Figure 2-2, Sheet 3):
(a)
Place valve #1 (1) in the bar position.
(b)
Open valve #2 (2).
(c)
Close valves #3 (3) and #4 (4).
(d)
Open valve #5 (5).
(e)
Close valve #6 (6).
(5)
Connect safety chain (7) to keeper (8).
CAUTION
Flow rate cannot be more than 200
GPM with spraybar closed or damage
to equipment may result.
(6)
Move pump transmission control lever (9)
forward (FWD). Run system at appropriate
speed
as
determined
by
application
rate
established in step (3).
(7)
Adjust engine RPM to appropriate speed as
established in step (3).
D-3739-SM
2-52