TM 5-3895-370-14&P
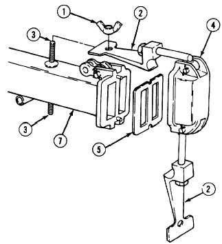
(7)
For each extension (7) installed, attach
shut-off connector (13) to shut-off bars
(14) with two hair pins (15).
(8)
Install gasket (5) and end cap (4) on
extension (7) by placing clamps (2) over
studs (3) and securing with wing nuts (1).
2-37