TM 5-3895-370-14&P
2-18. INSTALLING AND REMOVING SPRAYBAR EXTENSIONS (CONT).
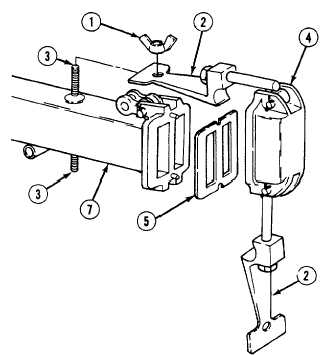
c.
Removing Spraybar Extensions.
NOTE
· This procedure applies to both ends
of the spraybar and is the same for all
extensions.
· Needle-nose pliers and adjustable
wrench may be necessary to remove
the spraybar extensions.
(1)
Remove two wing nuts (1) and clamps (2)
from studs (3) on extension (7).
(2)
Remove end cap (4) and gasket (5) from
extension (7).
(3)
For each extension (7) installed, remove
two hair pins (15) and shut-off connector
(13) from shut-off bars (14).
2-38