Home
Download PDF
Order CD-ROM
Order in Print
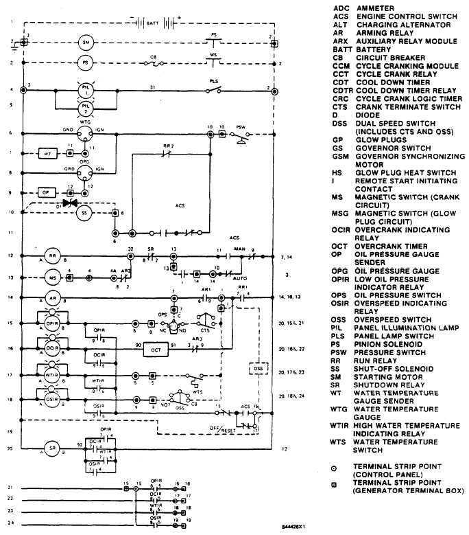
CONTROL PANEL COMPONENTS (PARTIAL) AND CONTROL PANEL TERMINAL STRIP TS2 - TM-55-1930-209-14P-9-4_235
RELAY LAMP SCHEMATIC (CONT)
TM-55-1930-209-14P-9-4 Water Purification Barges (NSN 1930-01-234-2165) Electric Power System Manual
Page Navigation
208
209
210
211
212
213
214
215
216
217
218
CONTROL PANEL (TYPE 4)
SYSTEMS OPERATION
CONTROL PANEL
AUTOMATIC POSITION
214